Артикул:
BHW-2
5 655.27 руб.
Нет в наличии
Подписаться
Хочу в подарок
Цена действительна только для интернет-магазина и может отличаться от цен в розничных магазинах
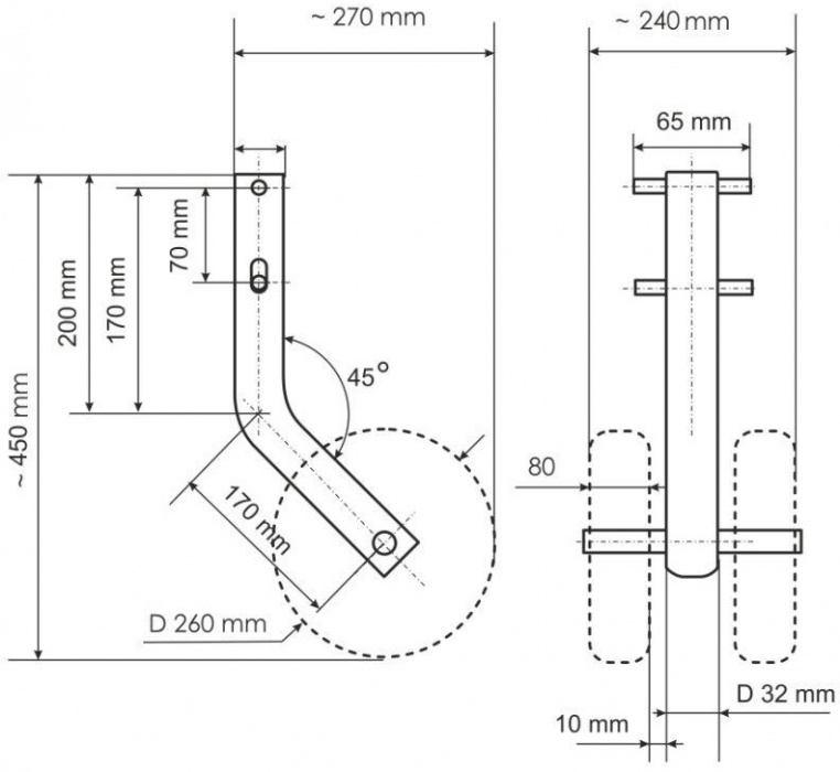
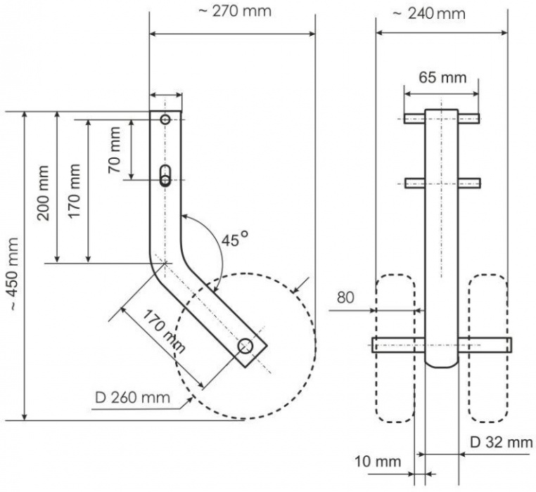
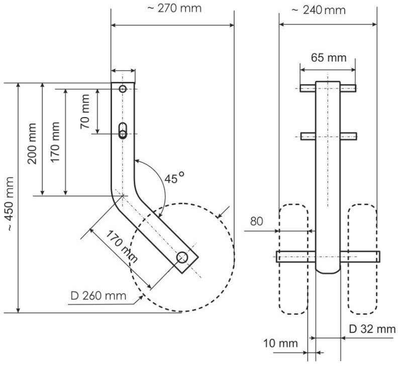
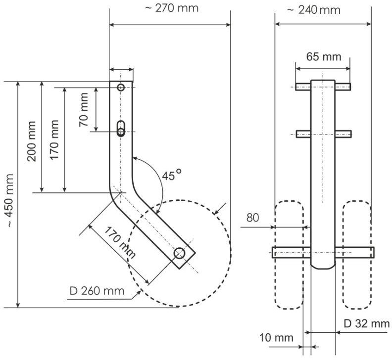
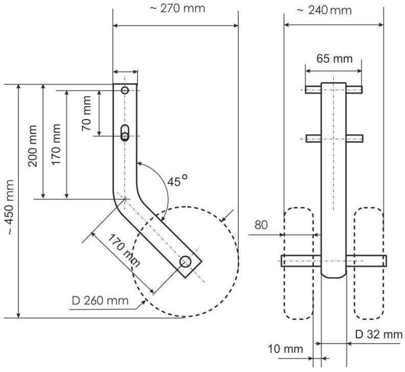
Мощная и надёжная конструкция транцевых колёс серии Double Handy Wheels, каждая из стоек которых оснащена парными пневматическими шинами, позволяет транспортировать загруженную до 140 кг ПВХ лодку по сыпучей поверхности в одиночку на короткие дистанции.
Документы
